W Polsce działa ok. 190 Operatorów Sieci Dystrybucyjnej (OSD), z czego największych i najbardziej znanych jest kilku:
|
![]() |
.
Najwięksi OSD w Polsce zaktualizowali Instrukcję Ruchu i Eksploatacji Systemu Dystrybucji (IRiESD) na przełomie roku 2023/2024 wprowadzając obowiązek montażu dodatkowego urządzenia o nazwie integrator w przypadku instalacji PV składającej się z więcej niż jednego inwertera,
Operatorzy ujednolicili tekst tego dokumentu wprowadzając wymóg stosowania integratora w paragrafie 9.1 (u każdego z OSD oczywiście w tekście pojawia się jego nazwa)

.
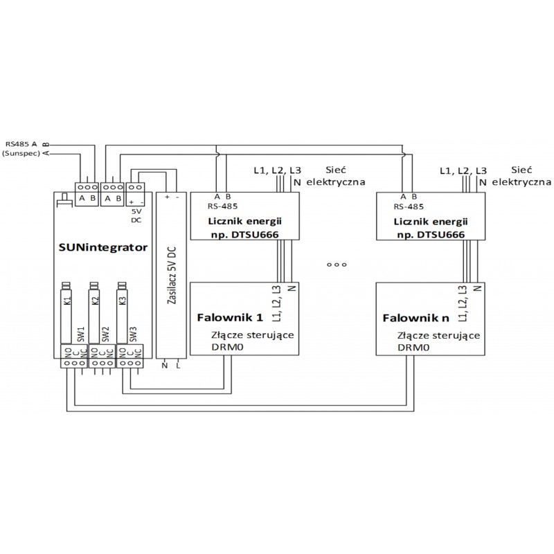
Zgodnie z powyższymi wymogami integrator PV musi przyjąć komendy zewnętrzne od urządzenia OSD i przekazać te komendy wszystkim falownikom wchodzącym w skład całej instalacji fotowoltaicznej.
Dodatkowy wymóg to udostępnienie wejściowego portu RS485 integratora w miejscu zapewniającym łatwy dostęp dla służb technicznych OSD – czyli przy liczniku OSD. Jest to bardzo ważne, gdyż służby techniczne OSD tak na prawdę nie mają prawa wejść do nas do domu, na naszą posesję, do naszego garażu itp. bez naszej zgody, mogą tylko do swojego licznika, a dostęp do portu komunikacyjnego muszą mieć. Z tego powodu sam integrator możemy zamontować w dowolnym miejscu naszej nieruchomości, ale musimy zadbać o wyprowadzenie portu RS485 przy liczniku OSD.
Udostępnienie tego portu ma polegać na przygotowaniu przewodów komunikacyjnych RS485 podłączonych do integratora.
Zamiast przewodu, którego doprowadzenie zwykle jest trudne lub wręcz niemożliwe sugerujemy zastosowanie konwertera RS485 <> 433MHz (link do konwertera). Jeden konwerter montujemy przy integratorze, drugi przy liczniku OSD, przygotowując w ten sposób miejsce podłączenia urządzeń dla energetyki.
Nasz integrator może współpracować ze wszystkimi inwerterami (także hybrydami).
Ponieważ tak na prawdę ogromna większość inwerterów montowanych w ostatnich latach nie obsługuje komunikacji przez SUNSPEC musieliśmy opracować inny sposób sterowania inwerterami.
Sterowanie, a w zasadzie wyłączanie, bo nie czarujmy się, że OSD będą chciały ograniczać tysiące małych instalacji prosumenckich – po prostu będą je wyłączać….
.
Sterowanie odbywa się na kilka sposobów, w zależności od oprogramowania i możliwości danego inwertera.
– sterowanie komendami SUNSPEC (przez RS485)
– sterowanie przez wielopinowe złącze COM (różnie nazywane jako PRCR, DRN itp.)
– odłączenie zasilania AC inwertera przez dodatkowy “odwrócony” stycznik (specjalne styczniki są tu)

Niezależnie od sposobu sterowania wyłączeniem inwerterów do naszego PVintegratora należy doprowadzić komunikację RS485 z każdym z inwerterów w celu czytania podstawowych danych z każdego inwertera. W zależności od typu inwertera komunikacja wi-fi, kablowa lub przez konwerter RS485<>433MHz.
Jeśli inwerter nie umożliwia komunikacji przez RS485 to niestety nic z tym nie zrobimy….
.
Lista falowników, z którymi komunikuje się Integrator PV
-
obsługa do 6 inwerterów i liczników z portem RS485 i protokołem Modbus-RTU lub kartą TCP/IP, urządzenie obsługuje:
(jeśli Twój falownik nie znajduje się na liście, skontaktuj się z nami, postaramy się oprogramować komunikację z kolejnym urządzeniem)
Nasz integrator jest też dataloggerem.
Jeśli podłączysz kilka inwerterów nawet od różnych producentów Integrator przeczyta z nich szczegółowe dane.
Wszystkie te dane mogą być przesyłane na nasze serwery.
Na podstawie tych danych uzyskasz szczegółowy monitoring kilku inwerterów w jednym miejscu.
Nie musisz już korzystać z kilku aplikacji, każdej do innego inwertera.
Przykład możliwości naszego monitoringu – kliknij w poniższe zdjęcie

Opcje podłączenia Integratora PV
1 – jeśli inwertery obsługują komunikację SUNSPEC (max 6 falowników)

2 – jeśli inwertery obsługują komunikację RS485 oraz gniazdo DRMO, ale nie SUNSPEC (max 3)

2a – jeśli inwertery NIE obsługują komunikację RS485, ale posiadają gniazdo DRMO (max 3)

3 – jeśli inwertery NIE obsługują komunikację RS485 i NIE posiadają gniazda DRMO (max 3)
– możliwe jest wyłączenia tylko przez odcięcie zasilania AC za pośrednictwem “odwróconego” stycznika podłączonego do przekaźników |SW1-3 w integratorze



W skład zestawu wchodzi
– Integrator PV – Sun Integrator – 1 sztuka
– zasilacz 5V na szynę – 1 sztuka
– karta katalogowa

















Reviews
There are no reviews yet.